
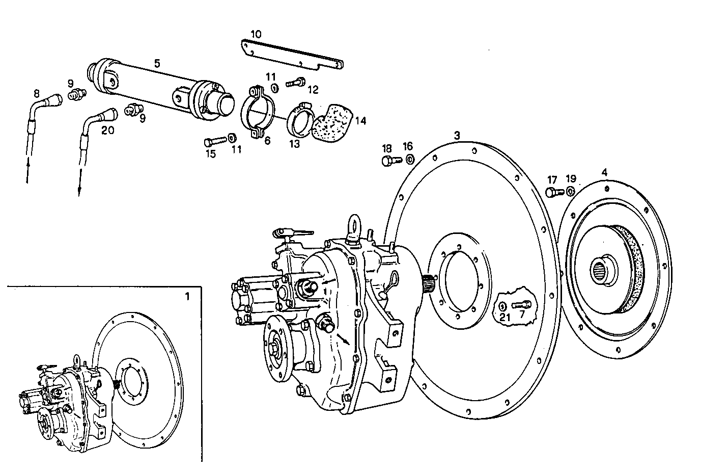
8035M06.00 — 8035M06
| # | Part No | Name / Description | Qty | Action |
|---|---|---|---|---|
| 1 | 8015882 | MARINE GEAR MARINE GEAR | 1 | |
| 3 | 8012407 | COUPLING BELL COUPLING BELL | 1 | |
| 4 | 8005350 | FLEXPLATE FLEXPLATE | 1 | |
| 5 | 8016304 | OIL/WATER HEAT EXCHANGER OIL/WATER HEAT EXCHANGER | 1 | |
| 6 | 5116798 | CLIP CLIP | 4 | |
| 7 | 16610024 | SCREW SCREW | 8 | |
| 8 | 4935779 | HOSE HOSE | 1 | |
| 9 | 8101073 | PIPE SOCKET PIPE SOCKET | 2 | |
| 10 | 8016558 | RETAINER RETAINER | 2 | |
| 11 | 17089474 | SPRING WASHER SPRING WASHER | 4 | |
| 12 | 16605734 | HEXAGON BOLT HEXAGON BOLT | 2 | |
| 13 | 17764793 | CLIP CLIP | 2 | |
| 14 | 8102099 | RUBBER SLEEVE RUBBER SLEEVE | 1 | |
| 15 | 16605624 | HEXAGON BOLT HEXAGON BOLT | 2 | |
| 16 | 17090174 | SPRING WASHER SPRING WASHER | 12 | |
| 17 | 15970521 | HEXAGON BOLT HEXAGON BOLT | 8 | |
| 18 | 11306921 | SCREW SCREW | 12 | |
| 19 | 10571879 | WASHER WASHER | 8 | |
| 20 | 8105620 | HOSE HOSE | 1 | |
| 21 | 17091074 | WASHER WASHER | 8 |