
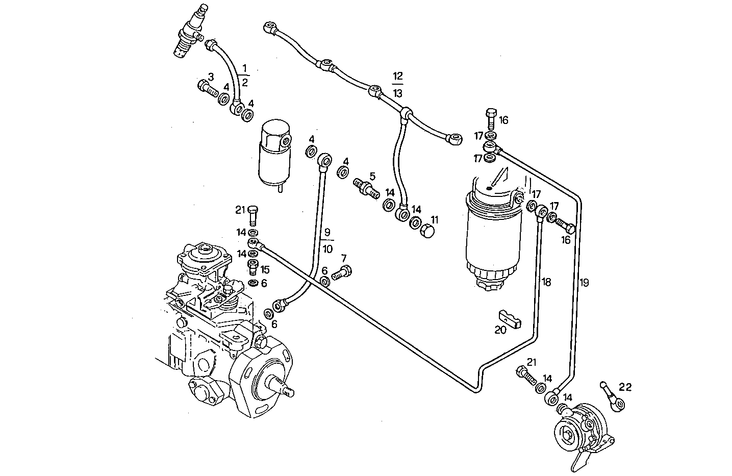
8040SC25.00A007 — 8040SC25
| # | Part No | Name / Description | Qty | Action |
|---|---|---|---|---|
| 1 | 4848500 | FUEL LINE FUEL LINE | 1 | |
| 2 | 98460408 | FUEL LINE FUEL LINE | 1 | |
| 3 | 4864079 | SCREW CONNECTOR SCREW CONNECTOR | 1 | |
| 4 | 10298360 | SEAL GASKET SEAL GASKET | 4 | |
| 5 | 4838021 | BYPASS VALVE BYPASS VALVE | 1 | |
| 6 | 10296160 | SEAL GASKET SEAL GASKET | 3 | |
| 7 | 10181717 | SCREW CONNECTOR SCREW CONNECTOR | 1 | |
| 9 | 4848502 | FUEL LINE FUEL LINE | 1 | |
| 10 | 98460653 | FUEL LINE FUEL LINE | 1 | |
| 11 | 10182317 | PLUG PLUG | 1 | |
| 12 | 4848486 | FUEL LINE FUEL LINE | 1 | |
| 13 | 98460652 | FUEL LINE FUEL LINE | 1 | |
| 14 | 4858607 | WASHER WASHER | 8 | |
| 15 | 4802434 | THREADED UNION THREADED UNION | 1 | |
| 16 | 4864083 | SCREW CONNECTOR SCREW CONNECTOR | 2 | |
| 17 | 4858608 | SEAL GASKET SEAL GASKET | 4 | |
| 18 | 98413809 | FUEL LINE FUEL LINE | 1 | |
| 19 | 98413808 | FUEL LINE FUEL LINE | 1 | |
| 20 | 4864292 | SPRING CLAMP SPRING CLAMP | 1 | |
| 21 | 4864082 | BANJO BOLT BANJO BOLT | 2 | |
| 22 | 8020166 | PIPE SOCKET PIPE SOCKET | 1 |