
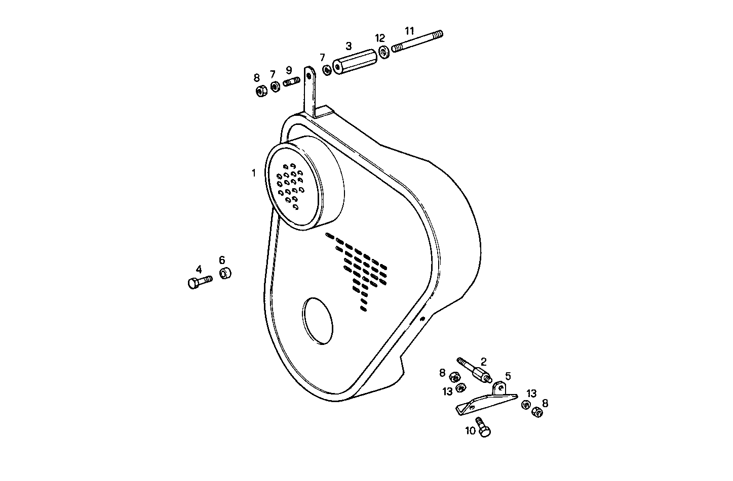
8041i40.55 — 8041i40
| # | Part No | Name / Description | Qty | Action |
|---|---|---|---|---|
| 1 | 8029501 | PROTECTION PROTECTION | 1 | |
| 2 | 8029862 | SPACING BAR SPACING BAR | 2 | |
| 3 | 8031213 | SPACING BAR SPACING BAR | 1 | |
| 4 | 16604024 | HEXAGON BOLT HEXAGON BOLT | 1 | |
| 5 | 8107877 | RETAINER RETAINER | 1 | |
| 6 | 17814611 | SPACING BAR SPACING BAR | 1 | |
| 7 | 17089774 | SPRING WASHER SPRING WASHER | 2 | |
| 8 | 17037931 | HEXAGON NUT HEXAGON NUT | 3 | |
| 9 | 13516721 | STUD STUD | 1 | |
| 10 | 16605424 | SCREW SCREW | 1 | |
| 11 | 13953221 | STUD STUD | 1 | |
| 12 | 17090174 | SPRING WASHER SPRING WASHER | 1 | |
| 13 | 17089474 | SPRING WASHER SPRING WASHER | 2 |