
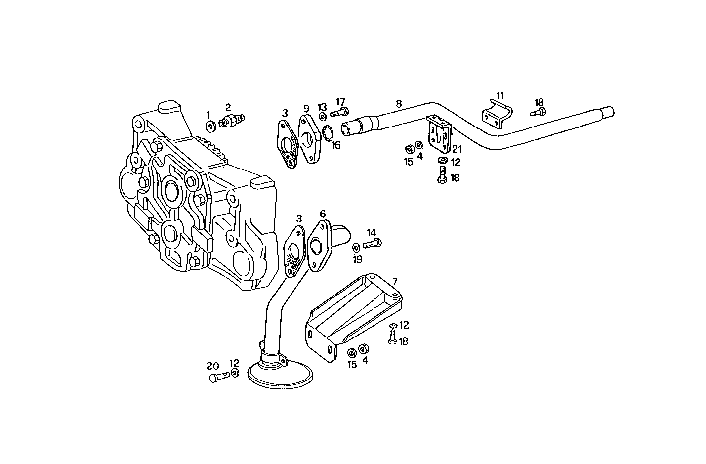
8060SRC21.20 — 8060SRC21
| # | Part No | Name / Description | Qty | Action |
|---|---|---|---|---|
| 1 | 561293 | O-RING O-RING | 1 | |
| 2 | 4785501 | SCREW CONNECTOR SCREW CONNECTOR | 1 | |
| 3 | 4852561 | FLAT ENGINE GKT FLAT ENGINE GKT | 2 | |
| 4 | 17094914 | WASHER WASHER | 4 | |
| 6 | 97496019 | SUCTION STRAINER SUCTION STRAINER | 1 | |
| 7 | 4739213 | RETAINER RETAINER | 1 | |
| 8 | 4807308 | DELIVERY LINE DELIVERY LINE | 1 | |
| 9 | 4773265 | FLANGED SOCKET FLANGED SOCKET | 1 | |
| 11 | 4777690 | CLIP CLIP | 1 | |
| 12 | 17089474 | SPRING WASHER SPRING WASHER | 6 | |
| 13 | 17090174 | SPRING WASHER SPRING WASHER | 2 | |
| 14 | 16605524 | HEXAGON BOLT HEXAGON BOLT | 4 | |
| 15 | 17157021 | NUT NUT | 2 | |
| 16 | 17282181 | O-RING O-RING | 2 | |
| 17 | 16605824 | HEXAGON BOLT HEXAGON BOLT | 2 | |
| 18 | 16605424 | SCREW SCREW | 4 | |
| 19 | 17089471 | SPRING WASHER SPRING WASHER | 2 | |
| 20 | 16043524 | SCREW SCREW | 2 | |
| 21 | 4775923 | FASTENING BRACKET FASTENING BRACKET | 1 |