
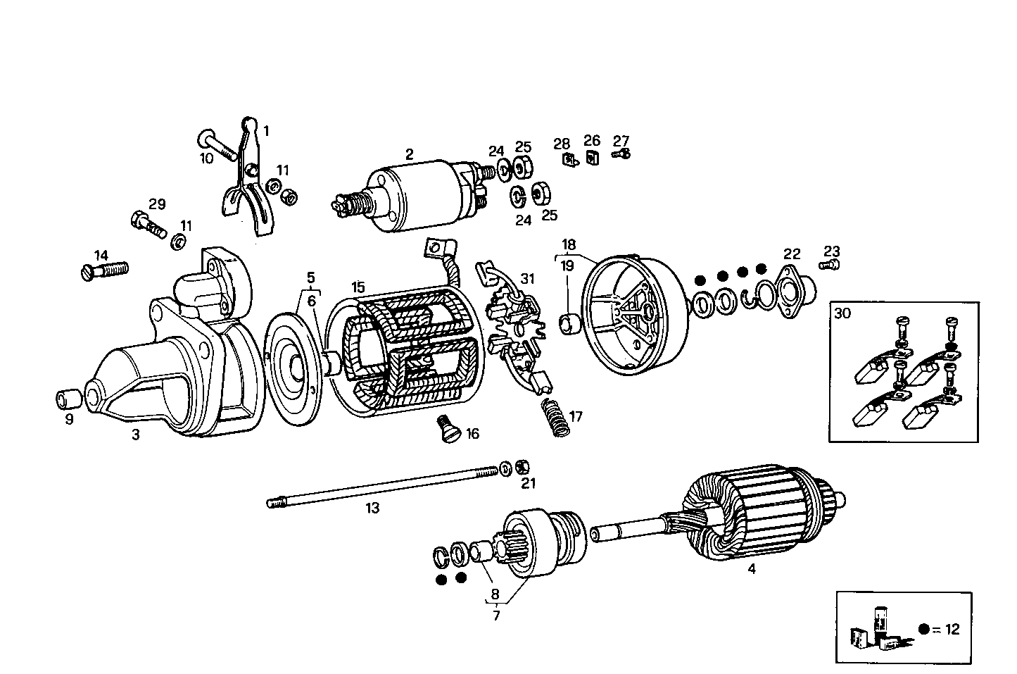
8060SRC23.20 — 8060SRC23
| # | Part No | Name / Description | Qty | Action |
|---|---|---|---|---|
| 1 | 8190144 | START.COUPL.LEVER START.COUPL.LEVER | 1 | |
| 2 | 1309205 | SOLENOID SOLENOID | 1 | |
| 3 | 79075906 | STARTER SUPPORT STARTER SUPPORT | 1 | |
| 4 | 8122158 | STARTER ARMATURE STARTER ARMATURE | 1 | |
| 5 | 1308810 | STARTER SUPPORT STARTER SUPPORT | 1 | |
| 6 | 1307038 | BUSH BUSH | 1 | |
| 7 | 79033659 | STARTER PINION STARTER PINION | 1 | |
| 8 | 79033670 | BUSH BUSH | 2 | |
| 9 | 8190143 | BUSH BUSH | 1 | |
| 10 | 79033669 | SCREW SCREW | 1 | |
| 11 | 1107283 | SPRING WASHER SPRING WASHER | 1 | |
| 12 | 79045355 | KIT-STARTER KIT-STARTER | 1 | |
| 13 | 1308813 | TIE ROD TIE ROD | 2 | |
| 14 | 1309463 | SCREW SCREW | 3 | |
| 15 | 8190148 | STARTER WINDING STARTER WINDING | 1 | |
| 16 | 79033663 | SCREW SCREW | 4 | |
| 17 | 1308848 | SPRING SPRING | 4 | |
| 18 | 79075905 | COVER COVER | 1 | |
| 19 | 79026097 | BUSH BUSH | 1 | |
| 20 | 2985194 | WASHER WASHER | 2 | |
| 21 | 17037821 | HEXAGON NUT HEXAGON NUT | 1 | |
| 22 | 79026098 | COVER COVER | 1 | |
| 23 | 1298783 | SCREW SCREW | 2 | |
| 24 | 1102800 | SPRING LOCKWASHER SPRING LOCKWASHER | 2 | |
| 25 | 1306937 | NUT NUT | 2 | |
| 26 | 2985062 | STOP PLATE STOP PLATE | 1 | |
| 27 | 1105500 | CYLIND-HEAD SCREW CYLIND-HEAD SCREW | 1 | |
| 28 | 8121732 | LOCKING PLATE LOCKING PLATE | 1 | |
| 29 | 8120277 | SCREW SCREW | 1 | |
| 30 | 1308846 | KIT-STARTER KIT-STARTER | 1 | |
| 31 | 1308847 | STARTER SUPPORT STARTER SUPPORT | 1 |