
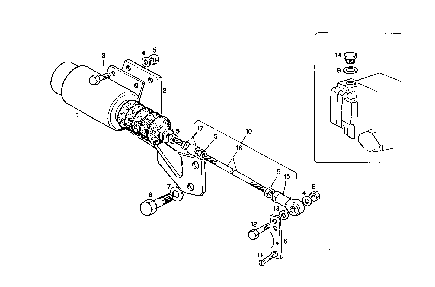
8061M12.21 — 8061M12
| # | Part No | Name / Description | Qty | Action |
|---|---|---|---|---|
| 1 | 8105420 | SOLENOID SOLENOID | 1 | |
| 2 | 8109366 | SUPPORT SUPPORT | 1 | |
| 3 | 10902121 | HEXAGON BOLT HEXAGON BOLT | 4 | |
| 4 | 11197779 | SPRING WASHER SPRING WASHER | 5 | |
| 5 | 15896211 | HEXAGON NUT HEXAGON NUT | 8 | |
| 6 | 8108368 | LEVER LEVER | 1 | |
| 7 | 17091070 | WASHER WASHER | 3 | |
| 8 | 16609824 | HEXAGON BOLT HEXAGON BOLT | 3 | |
| 9 | 10280050 | SEAL GASKET SEAL GASKET | 1 | |
| 10 | 8109367 | TIE ROD TIE ROD | 1 | |
| 11 | 18019514 | SCREW SCREW | 1 | |
| 12 | 10902621 | SCREW SCREW | 1 | |
| 13 | 14499301 | WASHER WASHER | 1 | |
| 14 | 10300611 | LOCK PLUG LOCK PLUG | 1 | |
| 15 | 4934541 | BALL HEAD BALL HEAD | 1 | |
| 16 | 8100610 | TIE ROD TIE ROD | 1 | |
| 17 | 8109368 | TIE ROD TIE ROD | 1 |