
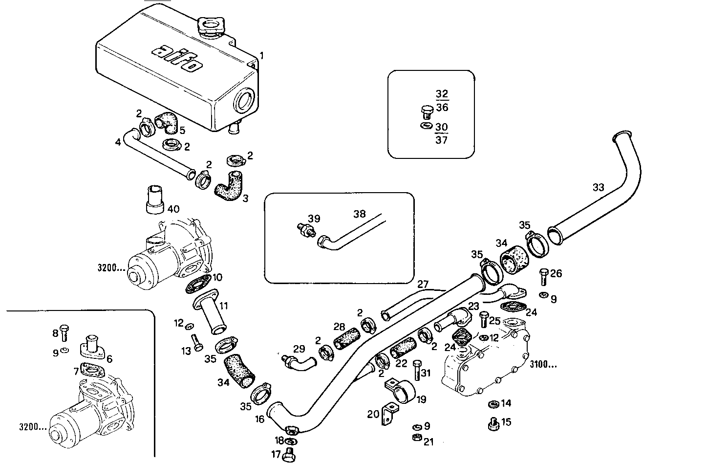
8061M14.01 — 8061M14
| # | Part No | Name / Description | Qty | Action |
|---|---|---|---|---|
| 1 | 8109335 | WATER EXPANSION TANK WATER EXPANSION TANK | 1 | |
| 2 | 17764593 | CLIP CLIP | 8 | |
| 3 | 4616762 | RUBBER SLEEVE RUBBER SLEEVE | 1 | |
| 4 | 8108005 | WATER PIPE WATER PIPE | 1 | |
| 5 | 8108085 | RUBBER SLEEVE RUBBER SLEEVE | 1 | |
| 6 | 8108080 | WATER PIPE WATER PIPE | 1 | |
| 7 | 98417182 | FLAT ENGINE GKT FLAT ENGINE GKT | 1 | |
| 8 | 16605424 | SCREW SCREW | 3 | |
| 9 | 17089474 | SPRING WASHER SPRING WASHER | 5 | |
| 10 | 4852556 | FLAT ENGINE GKT FLAT ENGINE GKT | 1 | |
| 11 | 4819458 | WATER PIPE WATER PIPE | 1 | |
| 12 | 17094914 | WASHER WASHER | 2 | |
| 13 | 98401723 | HEXAGON BOLT HEXAGON BOLT | 2 | |
| 14 | 10257060 | SEAL GASKET SEAL GASKET | 3 | |
| 15 | 10300711 | LOCK PLUG LOCK PLUG | 1 | |
| 16 | 8110287 | WATER PIPE WATER PIPE | 1 | |
| 17 | 16992140 | PLUG PLUG | 1 | |
| 18 | 4858606 | GASKET GASKET | 1 | |
| 19 | 4936741 | CLIP CLIP | 1 | |
| 20 | 8108086 | RETAINER RETAINER | 1 | |
| 21 | 17037931 | HEXAGON NUT HEXAGON NUT | 1 | |
| 22 | 98425606 | WATER HOSE WATER HOSE | 1 | |
| 23 | 8108188 | WATER PIPE WATER PIPE | 1 | |
| 24 | 4853970 | FLAT ENGINE GKT FLAT ENGINE GKT | 2 | |
| 25 | 16625734 | HEXAGON BOLT HEXAGON BOLT | 2 | |
| 26 | 16043621 | HEXAGON BOLT HEXAGON BOLT | 2 | |
| 27 | 4796639 | WATER PIPE WATER PIPE | 1 | |
| 28 | 98434883 | WATER HOSE WATER HOSE | 1 | |
| 29 | 4784798 | PIPE SOCKET PIPE SOCKET | 1 | |
| 30 | 10263460 | WASHER WASHER | 1 | |
| 32 | 10305171 | PLUG PLUG | 1 | |
| 33 | 8110288 | WATER PIPE WATER PIPE | 1 | |
| 34 | 17742887 | RUBBER SLEEVE RUBBER SLEEVE | 1 | |
| 35 | 17764893 | CLIP CLIP | 2 | |
| 36 | 16992440 | THREADED PLUG THREADED PLUG | 1 | |
| 37 | 4858609 | WASHER WASHER | 1 | |
| 38 | 98432541 | WATER PIPE WATER PIPE | 1 | |
| 39 | 98433191 | PIPE SOCKET PIPE SOCKET | 1 | |
| 40 | 8014141 | WATER PIPE WATER PIPE | 1 |