
8061Si25.00 — 8061Si25
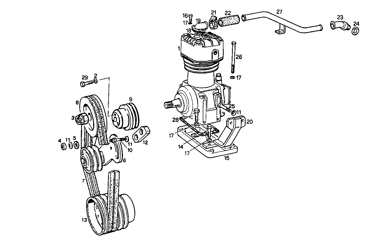
| # | Part No | Name / Description | Qty | Action |
|---|---|---|---|---|
| 1 | 98421104 | AIR COMPRESSOR AIR COMPRESSOR | 1 | |
| 2 | 11198071 | SPRING WASHER SPRING WASHER | 3 | |
| 3 | 13598411 | CASTLE NUT CASTLE NUT | 1 | |
| 4 | 12164711 | HEXAGON NUT HEXAGON NUT | 2 | |
| 5 | 14496601 | WASHER WASHER | 1 | |
| 6 | 8104958 | BELT TENSIONER BELT TENSIONER | 1 | |
| 7 | 8104972 | V-BELT V-BELT | 1 | |
| 8 | 8007719 | PULLEY PULLEY | 1 | |
| 9 | 8009572 | PULLEY PULLEY | 1 | |
| 10 | 8104930 | STUD STUD | 2 | |
| 11 | 11198371 | SPRING WASHER SPRING WASHER | 6 | |
| 12 | 8104931 | SPACING BAR SPACING BAR | 1 | |
| 13 | 8104952 | PULLEY PULLEY | 1 | |
| 14 | 16043521 | SCREW SCREW | 2 | |
| 15 | 8104950 | PLATE PLATE | 1 | |
| 16 | 16043421 | HEXAGON BOLT HEXAGON BOLT | 2 | |
| 17 | 11194071 | WASHER WASHER | 11 | |
| 18 | 619376 | FLAT ENGINE GKT FLAT ENGINE GKT | 1 | |
| 19 | 8100116 | CONNECTOR CONNECTOR | 1 | |
| 20 | 8104936 | RETAINER RETAINER | 1 | |
| 21 | 17764592 | CLIP CLIP | 2 | |
| 22 | 12078187 | RUBBER SLEEVE RUBBER SLEEVE | 2 | |
| 23 | 4555394 | ELBOW COUPLING ELBOW COUPLING | 1 | |
| 24 | 10260360 | SEAL GASKET SEAL GASKET | 1 | |
| 25 | 15970621 | SCREW SCREW | 2 | |
| 26 | 16045021 | HEXAGON BOLT HEXAGON BOLT | 4 | |
| 27 | 8105058 | AIR PIPE/DUCT AIR PIPE/DUCT | 1 | |
| 28 | 4601884 | FLAT ENGINE GKT FLAT ENGINE GKT | 2 | |
| 29 | 16043521 | SCREW SCREW | 3 |