
8061SRi25.05 — 8061SRi25
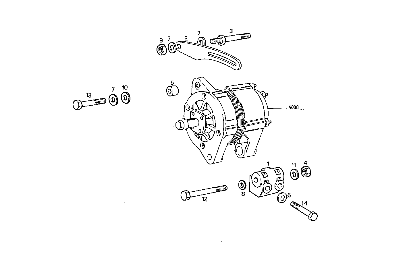
| # | Part No | Name / Description | Qty | Action |
|---|---|---|---|---|
| 1 | 4600128 | GENERATOR SUPPORT GENERATOR SUPPORT | 1 | |
| 2 | 4787485 | TURNBUCKLE TURNBUCKLE | 1 | |
| 3 | 4605854 | STUD STUD | 1 | |
| 4 | 17036821 | NUT NUT | 1 | |
| 5 | 4619064 | SPACING BAR SPACING BAR | 1 | |
| 6 | 17089474 | SPRING WASHER SPRING WASHER | 2 | |
| 7 | 17090174 | SPRING WASHER SPRING WASHER | 1 | |
| 8 | 17091074 | WASHER WASHER | 1 | |
| 9 | 17038221 | HEXAGON NUT HEXAGON NUT | 1 | |
| 10 | 17095104 | WASHER WASHER | 1 | |
| 11 | 17095304 | WASHER WASHER | 1 | |
| 12 | 15541821 | HEXAGON BOLT HEXAGON BOLT | 1 | |
| 13 | 15970921 | HEXAGON BOLT HEXAGON BOLT | 1 | |
| 14 | 16606124 | HEXAGON BOLT HEXAGON BOLT | 2 |