
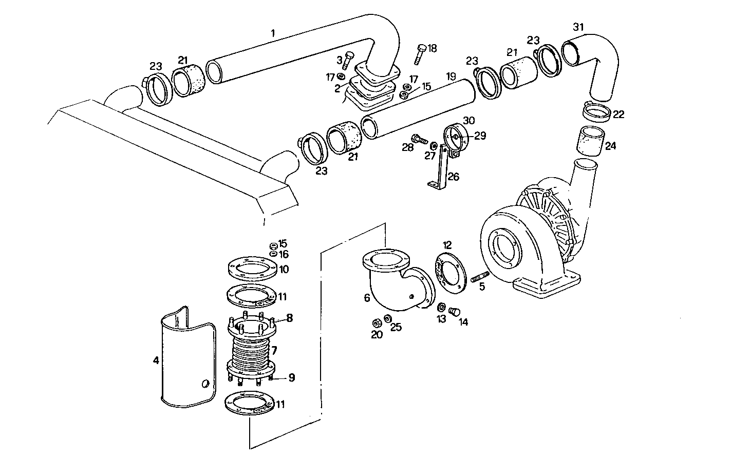
8061SRi26.05A580 — 8061SRI26
| # | Part No | Name / Description | Qty | Action |
|---|---|---|---|---|
| 1 | 8025745 | AIR PIPE/DUCT AIR PIPE/DUCT | 1 | |
| 2 | 98400790 | FLAT ENGINE GKT FLAT ENGINE GKT | 1 | |
| 3 | 16605624 | HEXAGON BOLT HEXAGON BOLT | 2 | |
| 4 | 8008237 | PROTECTION PROTECTION | 1 | |
| 5 | 16731224 | STUD STUD | 4 | |
| 6 | 8105001 | EXHAUST ELBOW EXHAUST ELBOW | 1 | |
| 7 | 4935378 | EXHAUST BELLOWS EXHAUST BELLOWS | 1 | |
| 8 | 13516921 | STUD STUD | 6 | |
| 9 | 13517221 | STUD STUD | 6 | |
| 10 | 4919183 | FLANGE FLANGE | 1 | |
| 11 | 8009606 | GASKET GASKET | 3 | |
| 12 | 4734747 | GASKET GASKET | 1 | |
| 13 | 4858607 | WASHER WASHER | 1 | |
| 14 | 16992211 | THREADED PLUG THREADED PLUG | 1 | |
| 15 | 17037931 | HEXAGON NUT HEXAGON NUT | 12 | |
| 16 | 17089471 | SPRING WASHER SPRING WASHER | 12 | |
| 17 | 17094914 | WASHER WASHER | 4 | |
| 18 | 16605824 | HEXAGON BOLT HEXAGON BOLT | 2 | |
| 19 | 8018708 | AIR PIPE/DUCT AIR PIPE/DUCT | 1 | |
| 20 | 17038121 | HEXAGON NUT HEXAGON NUT | 4 | |
| 21 | 8107383 | RUBBER SLEEVE RUBBER SLEEVE | 3 | |
| 22 | 17768191 | CLIP CLIP | 2 | |
| 23 | 8019910 | CLIP CLIP | 6 | |
| 24 | 98448211 | TURBOCHARGER HOSE TURBOCHARGER HOSE | 1 | |
| 25 | 17090174 | SPRING WASHER SPRING WASHER | 4 | |
| 26 | 8027202 | RETAINER RETAINER | 1 | |
| 27 | 17090174 | SPRING WASHER SPRING WASHER | 1 | |
| 28 | 15970921 | HEXAGON BOLT HEXAGON BOLT | 1 | |
| 29 | 4565875 | RUBBER PAD RUBBER PAD | 3 | |
| 30 | 4936328 | CLIP CLIP | 1 | |
| 31 | 8107648 | AIR MANIFOLD AIR MANIFOLD | 1 |