
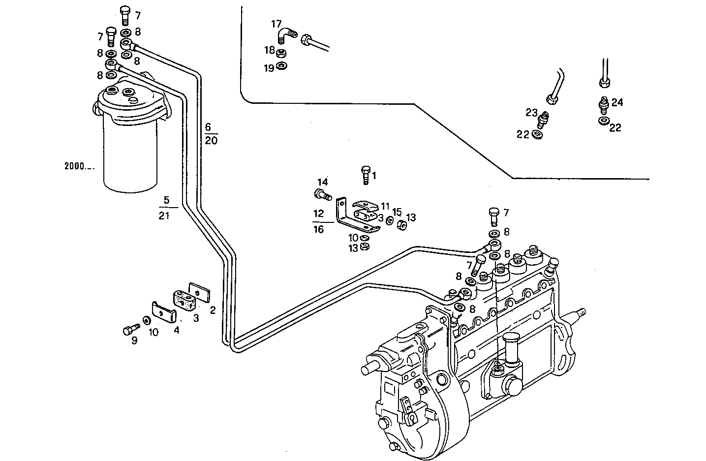
8061SRM25.10 — 8061SRM25
| # | Part No | Name / Description | Qty | Action |
|---|---|---|---|---|
| 1 | 16603924 | HEXAGON BOLT HEXAGON BOLT | 1 | |
| 2 | 4644289 | CLIP CLIP | 1 | |
| 3 | 4871771 | RUBBER PAD RUBBER PAD | 2 | |
| 4 | 4644288 | CLIP CLIP | 1 | |
| 5 | 8011616 | FUEL LINE FUEL LINE | 1 | |
| 6 | 8011615 | FUEL LINE FUEL LINE | 1 | |
| 7 | 4864083 | SCREW CONNECTOR SCREW CONNECTOR | 4 | |
| 8 | 4858608 | SEAL GASKET SEAL GASKET | 8 | |
| 9 | 16603824 | SCREW SCREW | 1 | |
| 10 | 17088474 | WASHER WASHER | 2 | |
| 11 | 4641551 | CLAMP CLAMP | 1 | |
| 12 | 8110499 | RETAINER RETAINER | 1 | |
| 13 | 17038221 | HEXAGON NUT HEXAGON NUT | 2 | |
| 14 | 15970621 | SCREW SCREW | 1 | |
| 15 | 17090174 | SPRING WASHER SPRING WASHER | 1 | |
| 16 | 8013432 | CLAMP CLAMP | 1 | |
| 17 | 8006222 | PIPE SOCKET PIPE SOCKET | 2 | |
| 18 | 16508711 | NUT NUT | 2 | |
| 19 | 17281581 | O-RING O-RING | 2 | |
| 20 | 8012963 | INJECTION LINE INJECTION LINE | 1 | |
| 21 | 8012962 | FUEL LINE FUEL LINE | 1 | |
| 22 | 98474308 | SEAL GASKET SEAL GASKET | 2 | |
| 23 | 4740771 | SWIVEL COUPLING SWIVEL COUPLING | 1 | |
| 24 | 16500211 | THREADED UNION THREADED UNION | 1 |