
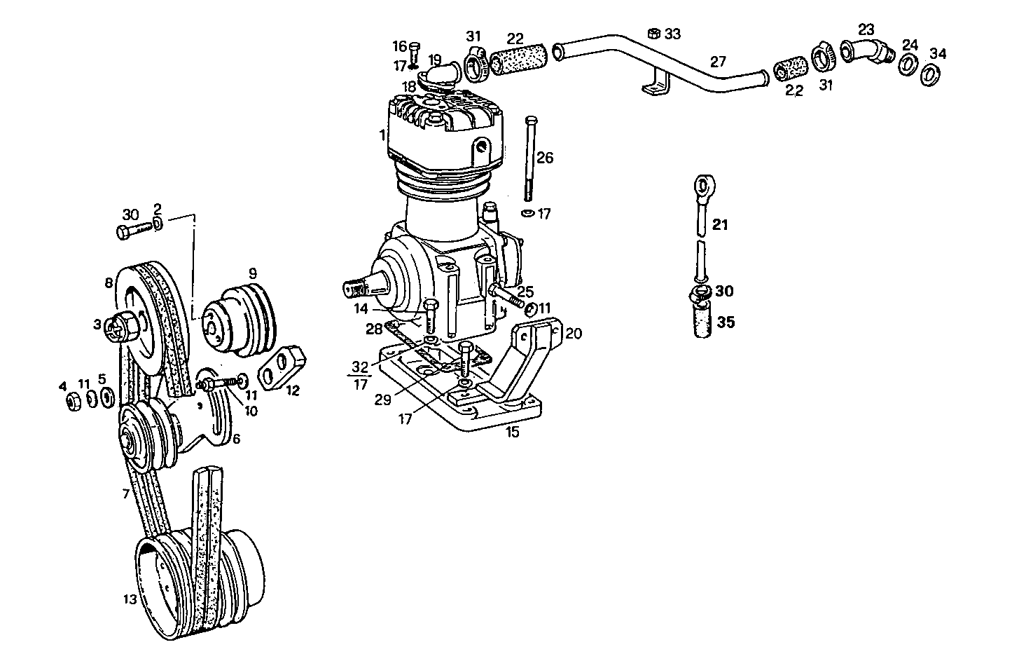
8065SE00.00 — 8065SE00
| # | Part No | Name / Description | Qty | Action |
|---|---|---|---|---|
| 1 | 99440231 | AIR COMPRESSOR AIR COMPRESSOR | 1 | |
| 2 | 11198071 | SPRING WASHER SPRING WASHER | 3 | |
| 3 | 17779421 | NUT NUT | 1 | |
| 4 | 17038221 | HEXAGON NUT HEXAGON NUT | 2 | |
| 5 | 17095104 | WASHER WASHER | 1 | |
| 6 | 8104959 | BELT TENSIONER BELT TENSIONER | 1 | |
| 7 | 8109753 | V-BELT V-BELT | 1 | |
| 8 | 8007719 | PULLEY PULLEY | 1 | |
| 9 | 8009572 | PULLEY PULLEY | 1 | |
| 10 | 8104930 | STUD STUD | 2 | |
| 11 | 17090174 | SPRING WASHER SPRING WASHER | 6 | |
| 12 | 8104931 | SPACING BAR SPACING BAR | 1 | |
| 13 | 8104952 | PULLEY PULLEY | 1 | |
| 14 | 16605624 | HEXAGON BOLT HEXAGON BOLT | 4 | |
| 15 | 8104950 | PLATE PLATE | 1 | |
| 16 | 16605524 | HEXAGON BOLT HEXAGON BOLT | 2 | |
| 17 | 17089474 | SPRING WASHER SPRING WASHER | 11 | |
| 18 | 98418772 | FLAT ENGINE GKT FLAT ENGINE GKT | 1 | |
| 19 | 8100116 | CONNECTOR CONNECTOR | 1 | |
| 20 | 8104936 | RETAINER RETAINER | 1 | |
| 21 | 8100075 | WATER PIPE WATER PIPE | 1 | |
| 22 | 4616762 | RUBBER SLEEVE RUBBER SLEEVE | 2 | |
| 23 | 4555394 | ELBOW COUPLING ELBOW COUPLING | 1 | |
| 24 | 98474315 | GASKET GASKET | 1 | |
| 25 | 15970621 | SCREW SCREW | 2 | |
| 26 | 16606724 | HEXAGON BOLT HEXAGON BOLT | 4 | |
| 27 | 8027756 | AIR PIPE/DUCT AIR PIPE/DUCT | 1 | |
| 28 | 98400783 | FLAT ENGINE GKT FLAT ENGINE GKT | 2 | |
| 29 | 16043521 | SCREW SCREW | 5 | |
| 30 | 12174890 | CLIP CLIP | 2 | |
| 31 | 17764592 | CLIP CLIP | 4 | |
| 32 | 98474303 | WASHER WASHER | 1 | |
| 33 | 8009967 | NUT NUT | 1 | |
| 34 | 98429281 | SEAL GASKET SEAL GASKET | 1 | |
| 35 | 12099787 | RUBBER SLEEVE RUBBER SLEEVE | 1 |