
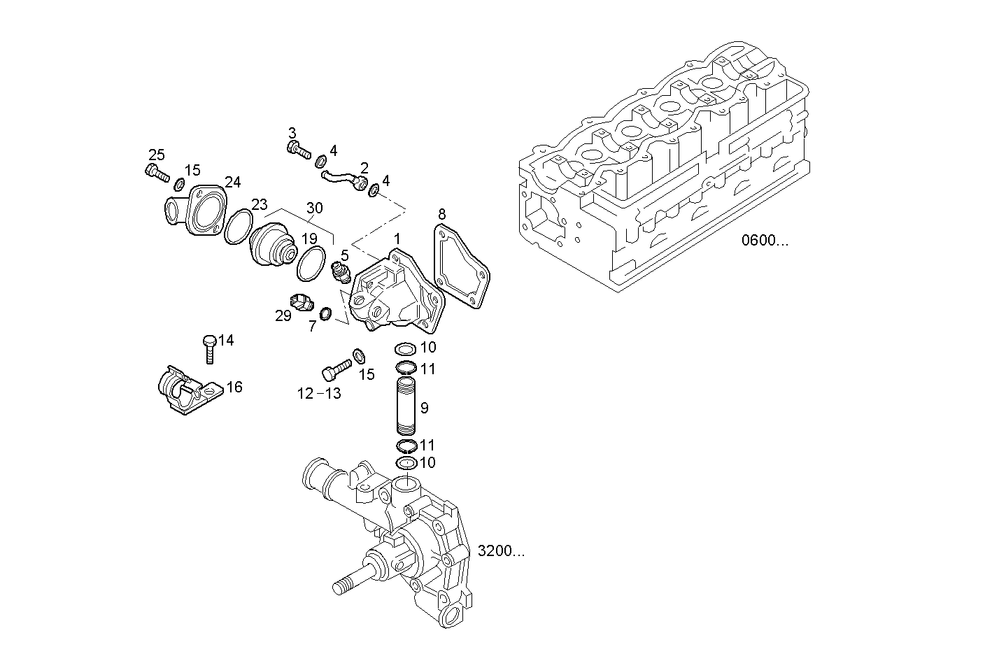
8140SRC30.40A001 — 8140SRC30
| # | Part No | Name / Description | Qty | Action |
|---|---|---|---|---|
| 1 | 500345690 | THERMOSTAT BODY THERMOSTAT BODY | 1 | |
| 2 | 7302944 | ELBOW COUPLING ELBOW COUPLING | 1 | |
| 3 | 4864080 | SCREW CONNECTOR SCREW CONNECTOR | 1 | |
| 4 | 10260160 | SEAL GASKET SEAL GASKET | 2 | |
| 5 | 98459006 | TEMP. TRANSMITTER TEMP. TRANSMITTER | 1 | |
| 7 | 10298460 | SEAL GASKET SEAL GASKET | 1 | |
| 8 | 98421297 | FLAT ENGINE GKT FLAT ENGINE GKT | 1 | |
| 9 | 99443808 | CONNECTION PIPE CONNECTION PIPE | 1 | |
| 10 | 17278481 | O-RING O-RING | 4 | |
| 11 | 16866173 | CIRCLIP CIRCLIP | 2 | |
| 12 | 16605824 | HEXAGON BOLT HEXAGON BOLT | 2 | |
| 13 | 16044924 | SCREW SCREW | 1 | |
| 14 | 16605734 | HEXAGON BOLT HEXAGON BOLT | 1 | |
| 15 | 17089474 | SPRING WASHER SPRING WASHER | 6 | |
| 16 | 99453771 | RETAINER RETAINER | 1 | |
| 19 | 4823212 | RUBBER GASKET RUBBER GASKET | 1 | |
| 23 | 14455281 | O-RING O-RING | 1 | |
| 24 | 98434023 | THERM.BODY COVER THERM.BODY COVER | 1 | |
| 25 | 16605624 | HEXAGON BOLT HEXAGON BOLT | 2 | |
| 29 | 99455420 | TEMP. TRANSMITTER TEMP. TRANSMITTER | 1 | |
| 30 | 500329622 | THERMOSTAT THERMOSTAT | 1 |