
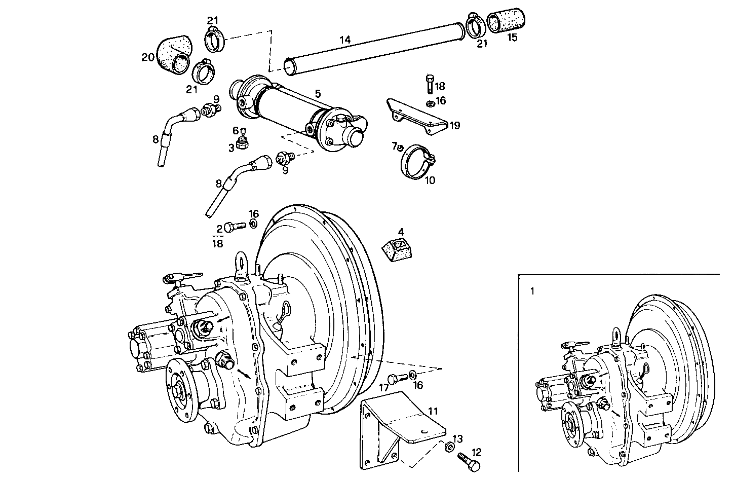
8210M22.10 — 8210M22
| # | Part No | Name / Description | Qty | Action |
|---|---|---|---|---|
| 1 | 8012544 | MARINE GEAR MARINE GEAR | 1 | |
| 2 | 15970924 | HEXAGON BOLT HEXAGON BOLT | 2 | |
| 3 | 8105276 | PLUG PLUG | 1 | |
| 4 | 4932462 | DOWEL DOWEL | 28 | |
| 5 | 8007721 | MARINE GEAR OIL HEAT EXCH MARINE GEAR OIL HEAT EXCH | 1 | |
| 6 | 8105277 | SACRIFICAL ANODE SACRIFICAL ANODE | 1 | |
| 7 | 4565875 | RUBBER PAD RUBBER PAD | 8 | |
| 8 | 8105619 | HOSE HOSE | 2 | |
| 9 | 4932262 | PIPE SOCKET PIPE SOCKET | 2 | |
| 10 | 8111020 | CLAMP CLAMP | 2 | |
| 11 | 8012555 | SUPPORT SUPPORT | 2 | |
| 12 | 16614524 | HEXAGON BOLT HEXAGON BOLT | 8 | |
| 13 | 17092174 | SPRING WASHER SPRING WASHER | 8 | |
| 14 | 8012590 | SEA WATER PIPE SEA WATER PIPE | 1 | |
| 15 | 4919165 | WATER HOSE WATER HOSE | 1 | |
| 16 | 17090174 | SPRING WASHER SPRING WASHER | 22 | |
| 17 | 15541024 | HEXAGON BOLT HEXAGON BOLT | 8 | |
| 18 | 11306924 | HEXAGON BOLT HEXAGON BOLT | 12 | |
| 19 | 8011777 | SUPPORT SUPPORT | 1 | |
| 20 | 8110487 | WATER HOSE WATER HOSE | 1 | |
| 21 | 17764993 | CLIP CLIP | 3 |