
8210Si02.00 — 8210Si02
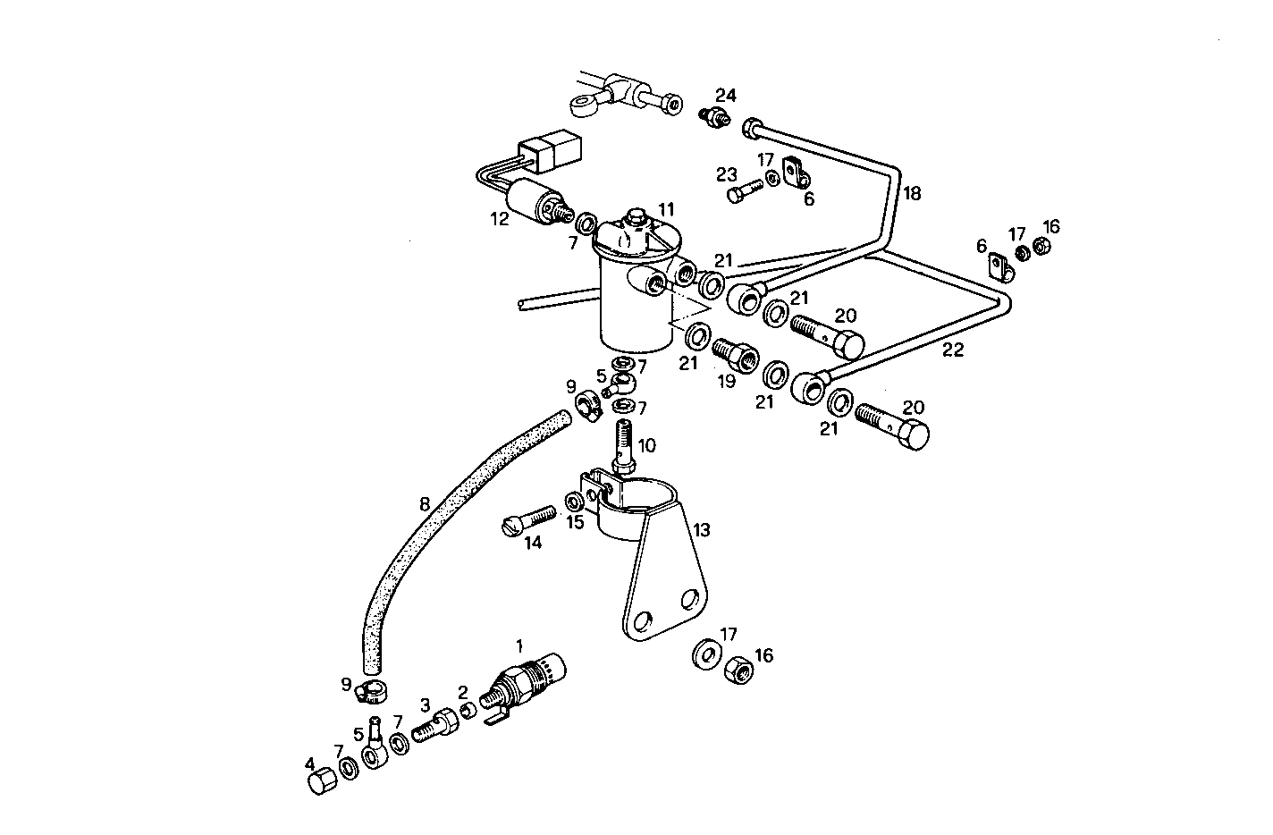
| # | Part No | Name / Description | Qty | Action |
|---|---|---|---|---|
| 1 | 4232052 | THERMO-STARTER THERMO-STARTER | 1 | |
| 2 | 4557649 | WASHER WASHER | 1 | |
| 3 | 4551101 | SCREW CONNECTOR SCREW CONNECTOR | 1 | |
| 4 | 11902017 | LOCK PLUG LOCK PLUG | 1 | |
| 5 | 4647661 | SWIVEL COUPLING SWIVEL COUPLING | 2 | |
| 6 | 10540090 | RETAINER RETAINER | 3 | |
| 7 | 4858605 | WASHER WASHER | 5 | |
| 8 | 4617014 | HOSE HOSE | 1 | |
| 9 | 12178990 | CLIP CLIP | 2 | |
| 10 | 11903717 | SCREW CONNECTOR SCREW CONNECTOR | 1 | |
| 11 | 4815431 | TANK FOR PREHEATER TANK FOR PREHEATER | 1 | |
| 12 | 98414208 | ELECT.V.VE.PREHEAT ELECT.V.VE.PREHEAT | 1 | |
| 13 | 8108403 | RETAINER RETAINER | 1 | |
| 14 | 10389811 | SCREW SCREW | 1 | |
| 15 | 11195470 | SPRING WASHER SPRING WASHER | 1 | |
| 16 | 17037931 | HEXAGON NUT HEXAGON NUT | 3 | |
| 17 | 11198071 | SPRING WASHER SPRING WASHER | 4 | |
| 18 | 4821084 | FUEL LINE FUEL LINE | 1 | |
| 19 | 4802434 | THREADED UNION THREADED UNION | 1 | |
| 20 | 10181717 | SCREW CONNECTOR SCREW CONNECTOR | 2 | |
| 21 | 4858607 | WASHER WASHER | 5 | |
| 22 | 4820908 | FUEL LINE FUEL LINE | 1 | |
| 23 | 16043221 | HEXAGON BOLT HEXAGON BOLT | 1 | |
| 24 | 16501611 | PIPE SOCKET PIPE SOCKET | 1 |