
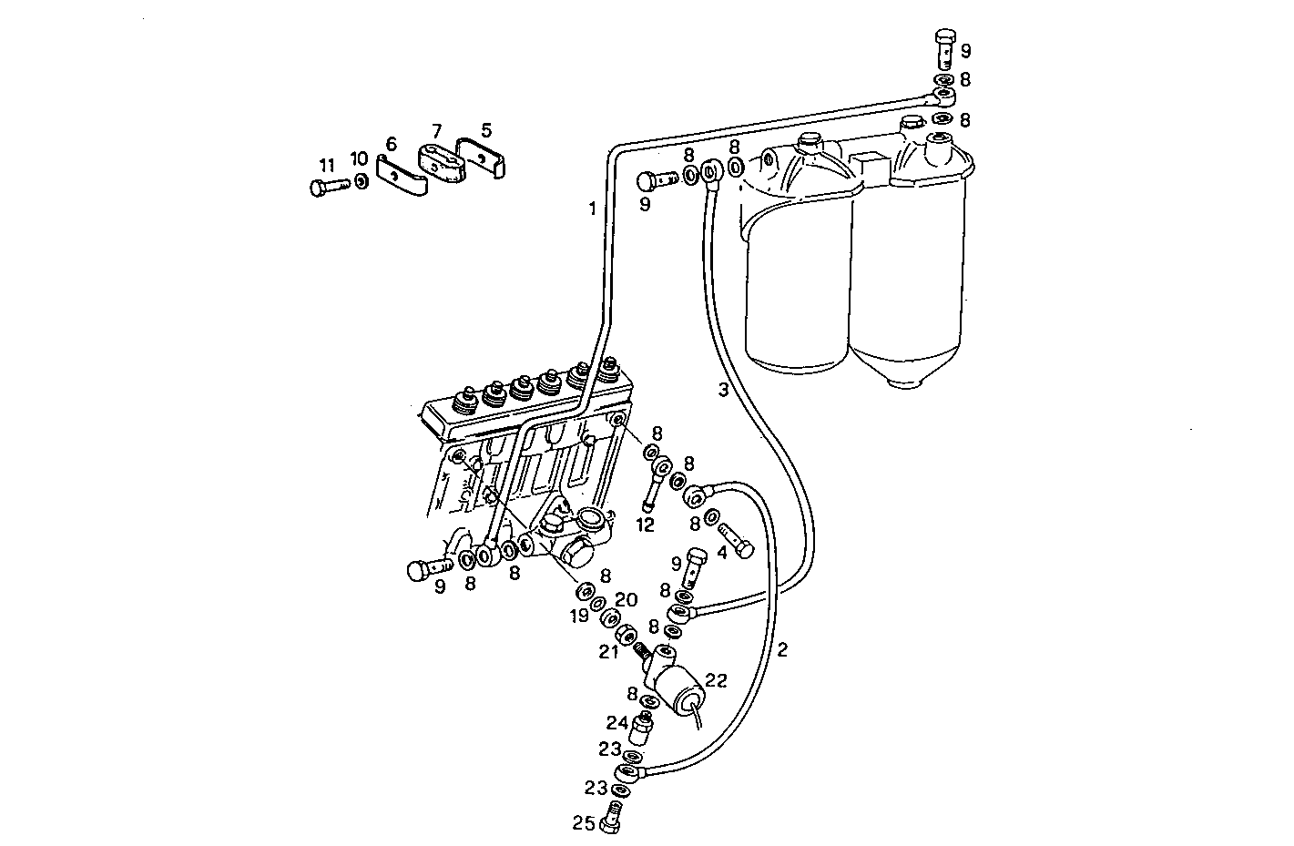
8210SRi27.01 — 8210SRi27
| # | Part No | Name / Description | Qty | Action |
|---|---|---|---|---|
| 1 | 4865209 | FUEL LINE FUEL LINE | 1 | |
| 2 | 8012628 | FUEL LINE FUEL LINE | 1 | |
| 3 | 8113819 | INJECTION LINE INJECTION LINE | 1 | |
| 4 | 61320129 | FUEL LINE FUEL LINE | 1 | |
| 5 | 4644289 | CLIP CLIP | 1 | |
| 6 | 4644288 | CLIP CLIP | 1 | |
| 7 | 4871771 | RUBBER PAD RUBBER PAD | 1 | |
| 8 | 4858608 | SEAL GASKET SEAL GASKET | 14 | |
| 9 | 4684083 | INTERIOR PANEL INTERIOR PANEL | 3 | |
| 10 | 17088474 | WASHER WASHER | 1 | |
| 11 | 16603824 | SCREW SCREW | 1 | |
| 12 | 98404882 | PIPE SOCKET PIPE SOCKET | 1 | |
| 19 | 17281581 | O-RING O-RING | 1 | |
| 20 | 8006339 | CAP CAP | 1 | |
| 21 | 16508711 | NUT NUT | 1 | |
| 22 | 8017500 | ELECTROVALVE ELECTROVALVE | 1 | |
| 23 | 98474308 | SEAL GASKET SEAL GASKET | 2 | |
| 24 | 8102465 | VALVE VALVE | 1 | |
| 25 | 8020609 | SCREW CONNECTOR SCREW CONNECTOR | 1 |