
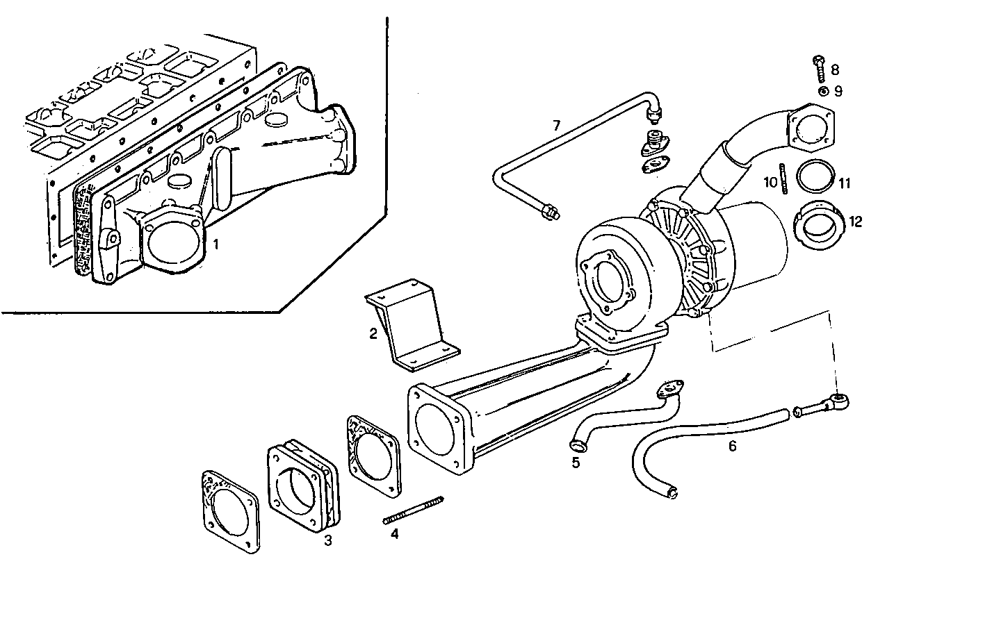
8281SRi10.00 — 8281SRi10
| # | Part No | Name / Description | Qty | Action |
|---|---|---|---|---|
| 1 | 8105947 | AIR HOOD AIR HOOD | 1 | |
| 2 | 8110386 | SUPPORT SUPPORT | 1 | |
| 3 | 8110278 | SPACING BAR SPACING BAR | 2 | |
| 4 | 13971430 | STUD STUD | 4 | |
| 5 | 8110274 | OIL LINE OIL LINE | 1 | |
| 6 | 19064987 | OIL HOSE OIL HOSE | 1 | |
| 7 | 8110273 | OIL LINE OIL LINE | 1 | |
| 8 | 16044221 | HEXAGON BOLT HEXAGON BOLT | 3 | |
| 9 | 17089474 | SPRING WASHER SPRING WASHER | 3 | |
| 10 | 13517521 | STUD STUD | 1 | |
| 11 | 17291281 | O-RING O-RING | 1 | |
| 12 | 8110279 | FASTENING RING FASTENING RING | 1 |