
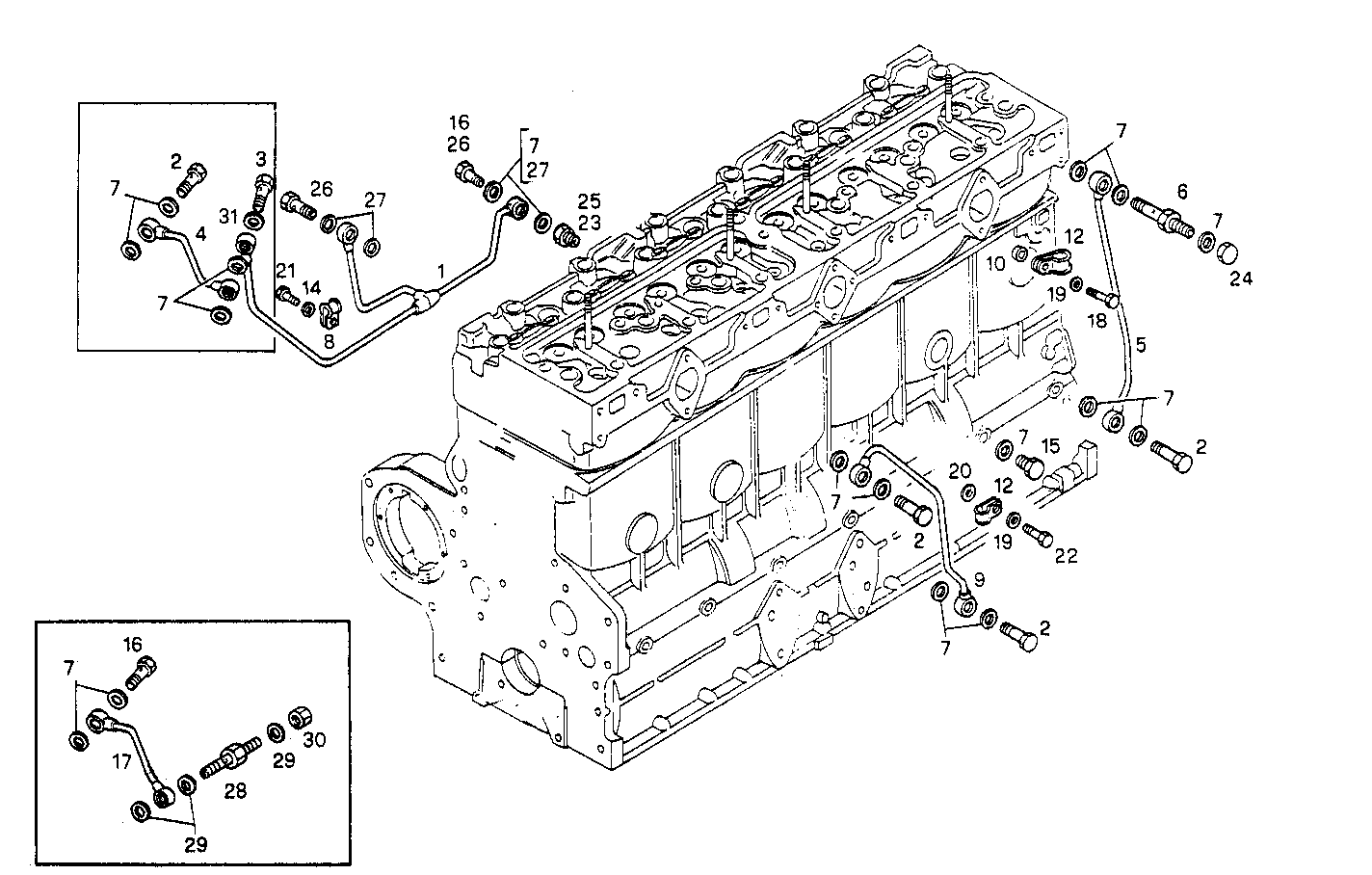
8361SI10.00A801 — 8361SI10
| # | Part No | Name / Description | Qty | Action |
|---|---|---|---|---|
| 1 | 98430603 | OIL LINE OIL LINE | 1 | |
| 2 | 4864080 | SCREW CONNECTOR SCREW CONNECTOR | 3 | |
| 3 | 4864079 | SCREW CONNECTOR SCREW CONNECTOR | 1 | |
| 4 | 98428782 | OIL LINE OIL LINE | 1 | |
| 5 | 98427907 | OIL LINE OIL LINE | 1 | |
| 6 | 98451916 | PIPE SOCKET PIPE SOCKET | 1 | |
| 7 | 4858606 | GASKET GASKET | 16 | |
| 8 | 10450090 | PIPE CLIP PIPE CLIP | 2 | |
| 9 | 98427899 | OIL LINE OIL LINE | 1 | |
| 10 | 13606011 | SPACER SPACER | 1 | |
| 12 | 10449890 | PIPE CLIP PIPE CLIP | 2 | |
| 14 | 17089474 | SPRING WASHER SPRING WASHER | 2 | |
| 15 | 11903111 | LOCK PLUG LOCK PLUG | 1 | |
| 16 | 4864080 | SCREW CONNECTOR SCREW CONNECTOR | 1 | |
| 17 | 4815033 | OIL LINE OIL LINE | 1 | |
| 18 | 16625734 | HEXAGON BOLT HEXAGON BOLT | 1 | |
| 19 | 11193871 | WASHER WASHER | 2 | |
| 20 | 12646701 | WASHER WASHER | 1 | |
| 21 | 16043124 | SCREW SCREW | 2 | |
| 22 | 16043321 | HEXAGON BOLT HEXAGON BOLT | 1 | |
| 23 | 4858852 | PIPE SOCKET PIPE SOCKET | 1 | |
| 24 | 38827772 | REAR SPRING REAR SPRING | 1 | |
| 25 | 4750513 | PIPE SOCKET PIPE SOCKET | 1 | |
| 26 | 4864082 | BANJO BOLT BANJO BOLT | 2 | |
| 27 | 4858606 | GASKET GASKET | 5 | |
| 28 | 11901617 | SWIVEL COUPLING SWIVEL COUPLING | 1 | |
| 29 | 10260060 | SEAL GASKET SEAL GASKET | 3 | |
| 30 | 11902017 | LOCK PLUG LOCK PLUG | 1 |