
8361SRi12.00 — 8361SRI12
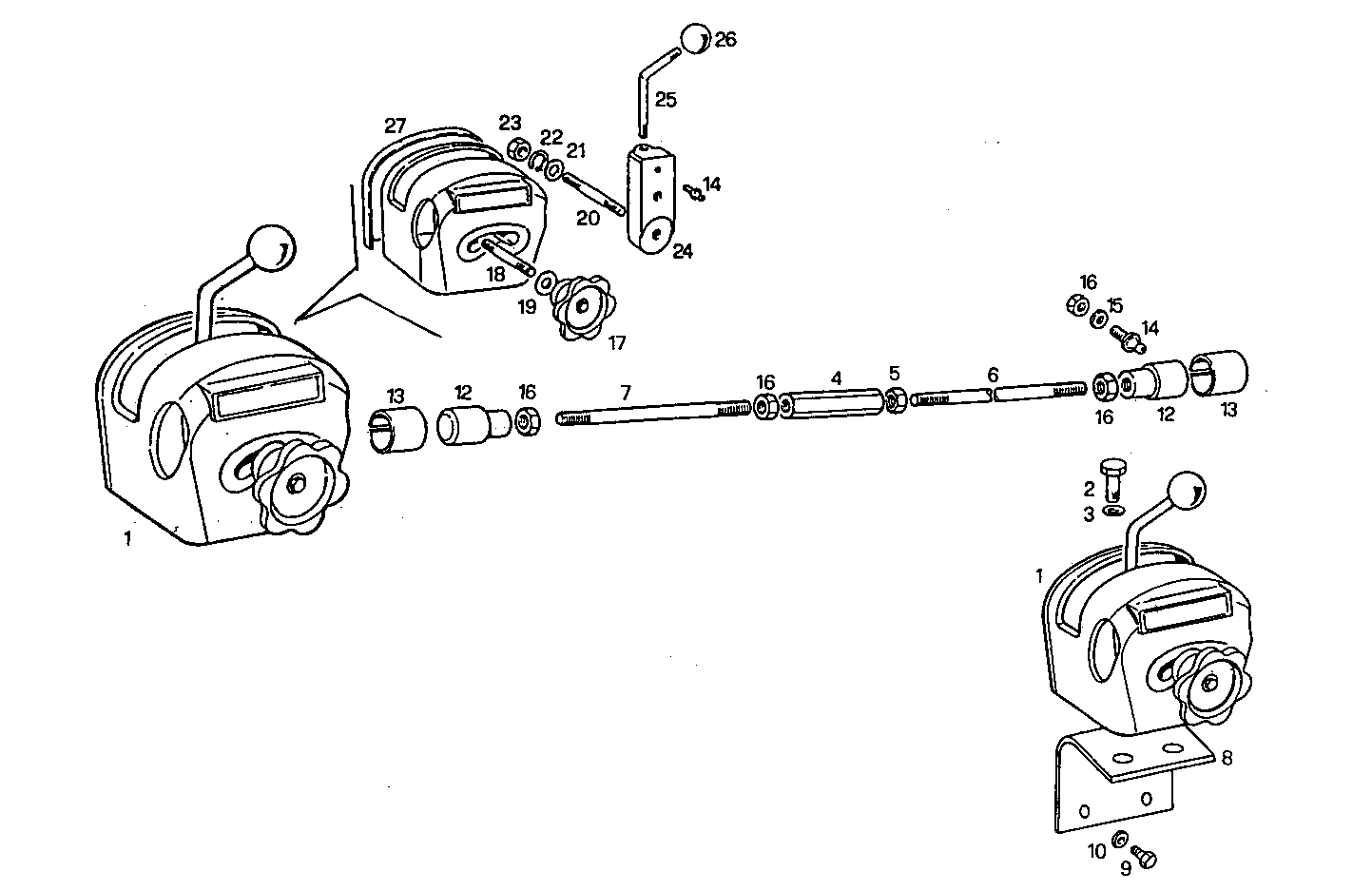
| # | Part No | Name / Description | Qty | Action |
|---|---|---|---|---|
| 1 | 4927113 | HAND ACCELERATOR HAND ACCELERATOR | 1 | |
| 2 | 16607624 | SCREW SCREW | 2 | |
| 3 | 17090174 | SPRING WASHER SPRING WASHER | 2 | |
| 4 | 17720114 | TIE ROD TIE ROD | 1 | |
| 5 | 16981731 | NUT NUT | 1 | |
| 6 | 4928016 | TIE ROD TIE ROD | 1 | |
| 7 | 8823236 | TIE ROD TIE ROD | 1 | |
| 8 | 8019671 | RETAINER RETAINER | 1 | |
| 9 | 16615421 | SCREW SCREW | 2 | |
| 10 | 17092174 | SPRING WASHER SPRING WASHER | 2 | |
| 12 | 17721111 | BALL HEAD BALL HEAD | 2 | |
| 13 | 17722174 | CLIP CLIP | 2 | |
| 14 | 15152011 | PIN PIN | 2 | |
| 15 | 17088974 | SPRING WASHER SPRING WASHER | 1 | |
| 16 | 17037821 | HEXAGON NUT HEXAGON NUT | 4 | |
| 17 | 4927042 | HANDWHEEL HANDWHEEL | 1 | |
| 18 | 11795121 | STUD STUD | 1 | |
| 19 | 12646901 | WASHER WASHER | 1 | |
| 20 | 13530221 | STUD STUD | 1 | |
| 21 | 10730701 | WASHER WASHER | 1 | |
| 22 | 10413870 | SPRING WASHER SPRING WASHER | 1 | |
| 23 | 14048821 | HEXAGON NUT HEXAGON NUT | 1 | |
| 24 | 4927004 | LEVER LEVER | 1 | |
| 25 | 4927877 | STUD STUD | 1 | |
| 26 | 4927041 | HANDLE BALL HANDLE BALL | 1 | |
| 27 | 4927115 | COVER COVER | 1 |