
8361SRM38.11 — 8361SRM38
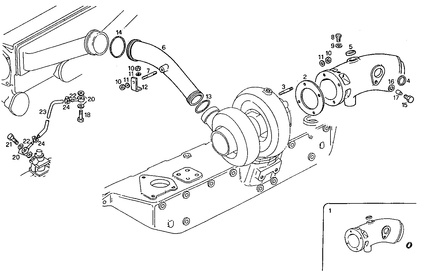
| # | Part No | Name / Description | Qty | Action |
|---|---|---|---|---|
| 1 | 8011125 | EXHAUST COOL. ELBOW EXHAUST COOL. ELBOW | 1 | |
| 2 | 8111833 | GASKET GASKET | 1 | |
| 3 | 16729424 | STUD STUD | 6 | |
| 4 | 16991170 | LOCK PLUG LOCK PLUG | 2 | |
| 5 | 16990870 | LOCK PLUG LOCK PLUG | 1 | |
| 6 | 8110197 | AIR MANIFOLD AIR MANIFOLD | 1 | |
| 7 | 16729224 | STUD STUD | 1 | |
| 8 | 16992240 | THREADED PLUG THREADED PLUG | 1 | |
| 9 | 4858607 | WASHER WASHER | 1 | |
| 10 | 17037931 | HEXAGON NUT HEXAGON NUT | 4 | |
| 11 | 17089474 | SPRING WASHER SPRING WASHER | 4 | |
| 12 | 8010689 | RETAINER RETAINER | 1 | |
| 13 | 17296181 | O-RING O-RING | 1 | |
| 14 | 17296581 | O-RING O-RING | 1 | |
| 15 | 8105276 | PLUG PLUG | 1 | |
| 16 | 4858609 | WASHER WASHER | 1 | |
| 17 | 8105277 | SACRIFICAL ANODE SACRIFICAL ANODE | 1 | |
| 18 | 8107452 | SCREW CONNECTOR SCREW CONNECTOR | 1 | |
| 19 | 4927136 | HOSE HOSE | 1 | |
| 20 | 98470306 | GASKET GASKET | 4 | |
| 21 | 4864082 | BANJO BOLT BANJO BOLT | 1 | |
| 22 | 4722869 | SWIVEL COUPLING SWIVEL COUPLING | 2 | |
| 23 | 17764393 | CLIP CLIP | 2 |