
8361SRM40.00 — 8361SRM40
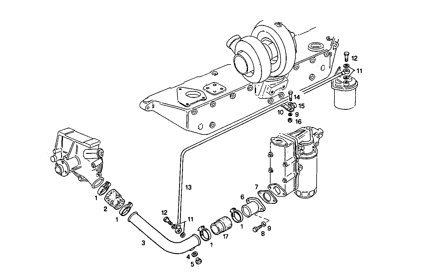
| # | Part No | Name / Description | Qty | Action |
|---|---|---|---|---|
| 1 | 17764993 | CLIP CLIP | 6 | |
| 2 | 98432897 | WATER HOSE WATER HOSE | 1 | |
| 3 | 8105538 | WATER PIPE WATER PIPE | 1 | |
| 4 | 4858609 | WASHER WASHER | 1 | |
| 5 | 16992440 | THREADED PLUG THREADED PLUG | 1 | |
| 6 | 8012033 | WATER PIPE WATER PIPE | 1 | |
| 7 | 98412396 | GASKET GASKET | 1 | |
| 8 | 16046221 | HEXAGON BOLT HEXAGON BOLT | 2 | |
| 9 | 17089474 | SPRING WASHER SPRING WASHER | 4 | |
| 10 | 4929652 | RETAINER RETAINER | 1 | |
| 11 | 4858608 | SEAL GASKET SEAL GASKET | 4 | |
| 12 | 4864083 | SCREW CONNECTOR SCREW CONNECTOR | 2 | |
| 13 | 8013889 | WATER PIPE WATER PIPE | 1 | |
| 14 | 16605424 | SCREW SCREW | 2 | |
| 15 | 17316490 | CLIP CLIP | 1 | |
| 16 | 17037931 | HEXAGON NUT HEXAGON NUT | 1 | |
| 17 | 17743687 | RUBBER SLEEVE RUBBER SLEEVE | 1 |