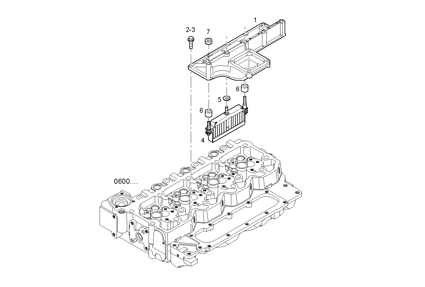
This page lists the available parts diagrams for the F4AE0484C*D102 engine model. Select a diagram to view the exploded view and the related parts list. If you don’t have the exact part number, you can still find it by checking the callout number in the diagram. Add required items to your quote cart and we’ll get back with availability and a quotation.



















