
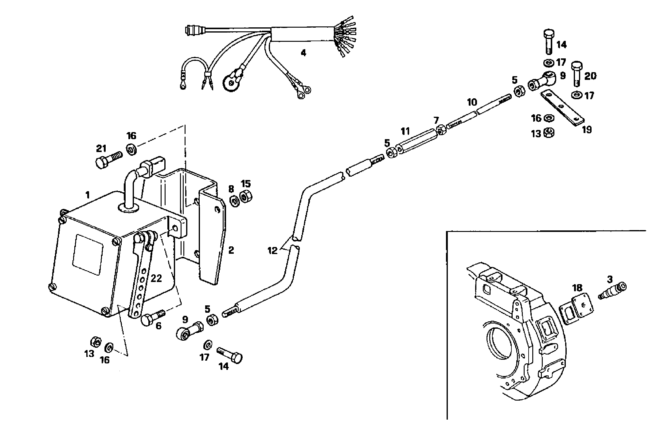
GE8045E00.50A011 — GE8045E00
| # | Part No | Name / Description | Qty | Action |
|---|---|---|---|---|
| 1 | 8018971 | ENGINE ACTUATOR ENGINE ACTUATOR | 1 | |
| 2 | 8028540 | RETAINER RETAINER | 1 | |
| 3 | 8018673 | PICK-UP PICK-UP | 1 | |
| 4 | 8018968 | ENGINE HARNESS ENGINE HARNESS | 1 | |
| 5 | 17037821 | HEXAGON NUT HEXAGON NUT | 3 | |
| 6 | 16605734 | HEXAGON BOLT HEXAGON BOLT | 2 | |
| 7 | 17040321 | NUT NUT | 1 | |
| 8 | 17089474 | SPRING WASHER SPRING WASHER | 2 | |
| 9 | 4934541 | BALL HEAD BALL HEAD | 2 | |
| 10 | 8823236 | TIE ROD TIE ROD | 1 | |
| 11 | 17720114 | TIE ROD TIE ROD | 1 | |
| 12 | 8823237 | TIE ROD TIE ROD | 1 | |
| 13 | 17152721 | NUT NUT | 2 | |
| 14 | 16603824 | SCREW SCREW | 2 | |
| 15 | 17037931 | HEXAGON NUT HEXAGON NUT | 2 | |
| 16 | 17094714 | WASHER WASHER | 6 | |
| 17 | 17088474 | WASHER WASHER | 6 | |
| 18 | 8025809 | COVER COVER | 1 | |
| 19 | 8024920 | RETAINER RETAINER | 1 | |
| 20 | 16603624 | HEXAGON BOLT HEXAGON BOLT | 2 | |
| 21 | 15004021 | HEXAGON BOLT HEXAGON BOLT | 2 | |
| 22 | 8031536 | LEVER LEVER | 1 |