
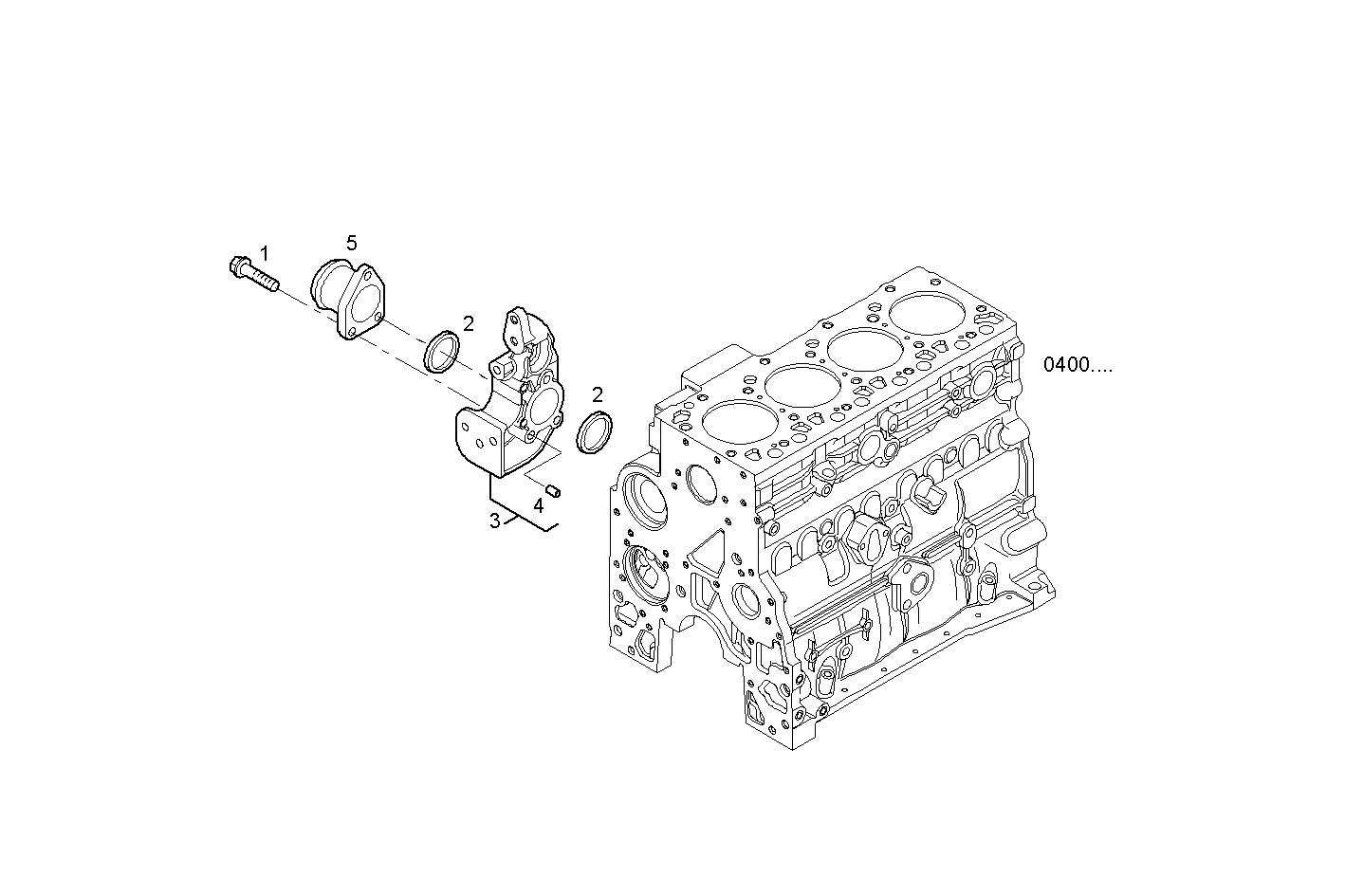
F4AE0484C*D103 — NEF 4 electron. - TIER 2
| # | Part No | Name / Description | Qty | Action |
|---|---|---|---|---|
| 1 | 16592925 | HEXAGON BOLT HEXAGON BOLT | 3 | |
| 2 | 504062710 | WASHER WASHER | 2 | |
| 3 | 500387647 | GENERATOR SUPPORT GENERATOR SUPPORT | 1 | |
| 4 | 4895576 | DOWEL PIN DOWEL PIN | 2 | |
| 5 | 504018245 | WATER PIPE WATER PIPE | 2 |