
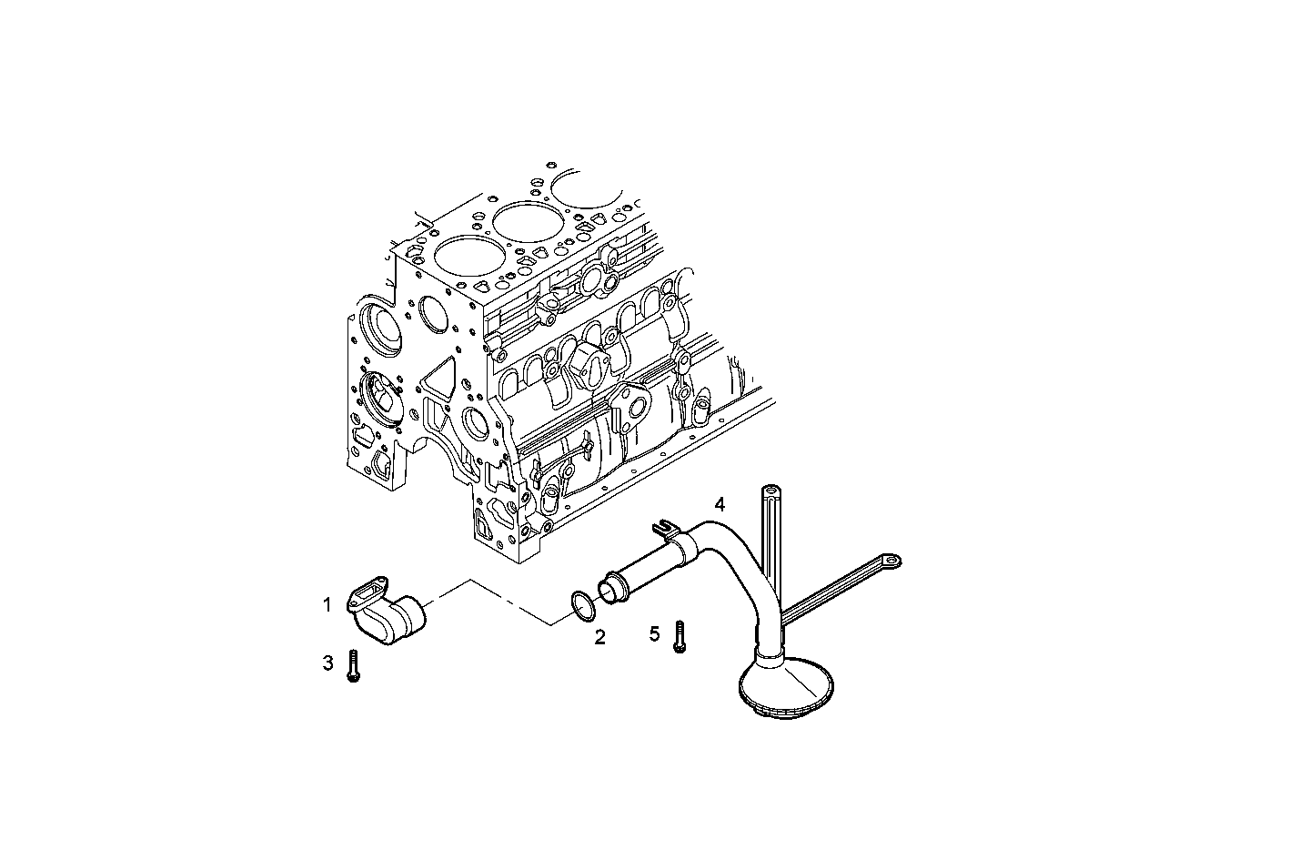
N40ENTE21.00A003 — NEF 4 electron. - TIER 2
| # | Part No | Name / Description | Qty | Action |
|---|---|---|---|---|
| 1 | 500389883 | INTAKE ELBOW INTAKE ELBOW | 1 | |
| 2 | 17282381 | O-RING O-RING | 1 | |
| 3 | 16586425 | HEXAGON BOLT HEXAGON BOLT | 2 | |
| 4 | 504082952 | SUCTION STRAINER SUCTION STRAINER | 1 | |
| 5 | 18139424 | HEXAGON BOLT HEXAGON BOLT | 3 |