
F4CE0454A*D604 — NEF 4 mechanic. - TIER 2
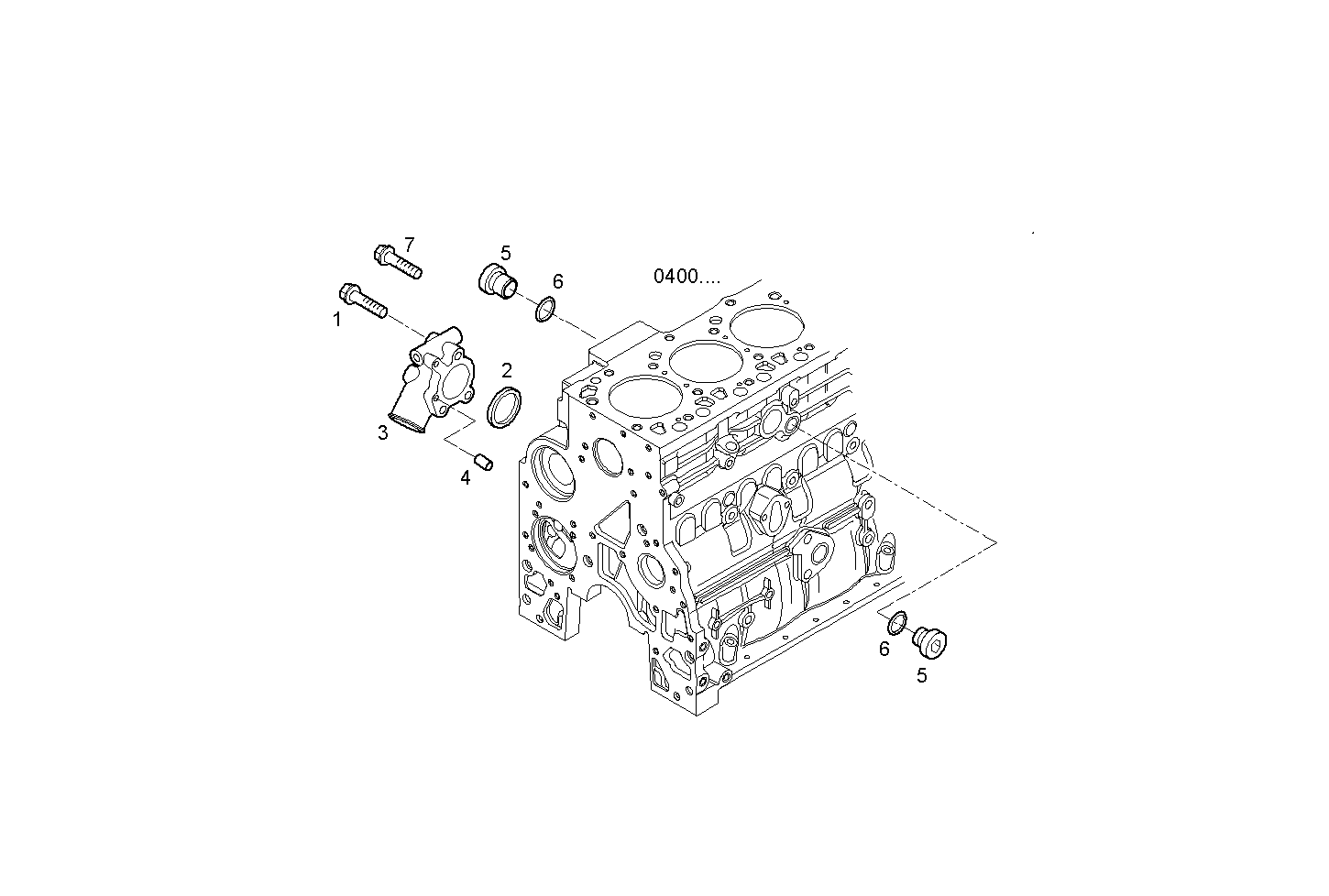
| # | Part No | Name / Description | Qty | Action |
|---|---|---|---|---|
| 1 | 4899144 | HEXAGON BOLT HEXAGON BOLT | 2 | |
| 2 | 504062710 | WASHER WASHER | 1 | |
| 3 | 4895990 | GENERATOR SUPPORT GENERATOR SUPPORT | 1 | |
| 4 | 2830894 | DOWEL PIN DOWEL PIN | 2 | |
| 5 | 16993311 | THREADED PLUG THREADED PLUG | 2 | |
| 6 | 99489020 | SEAL GASKET SEAL GASKET | 2 | |
| 7 | 2830622 | HEXAGON BOLT HEXAGON BOLT | 1 |