
F4GE9484D*J601 — NEF 4 mechanic. - TIER 3
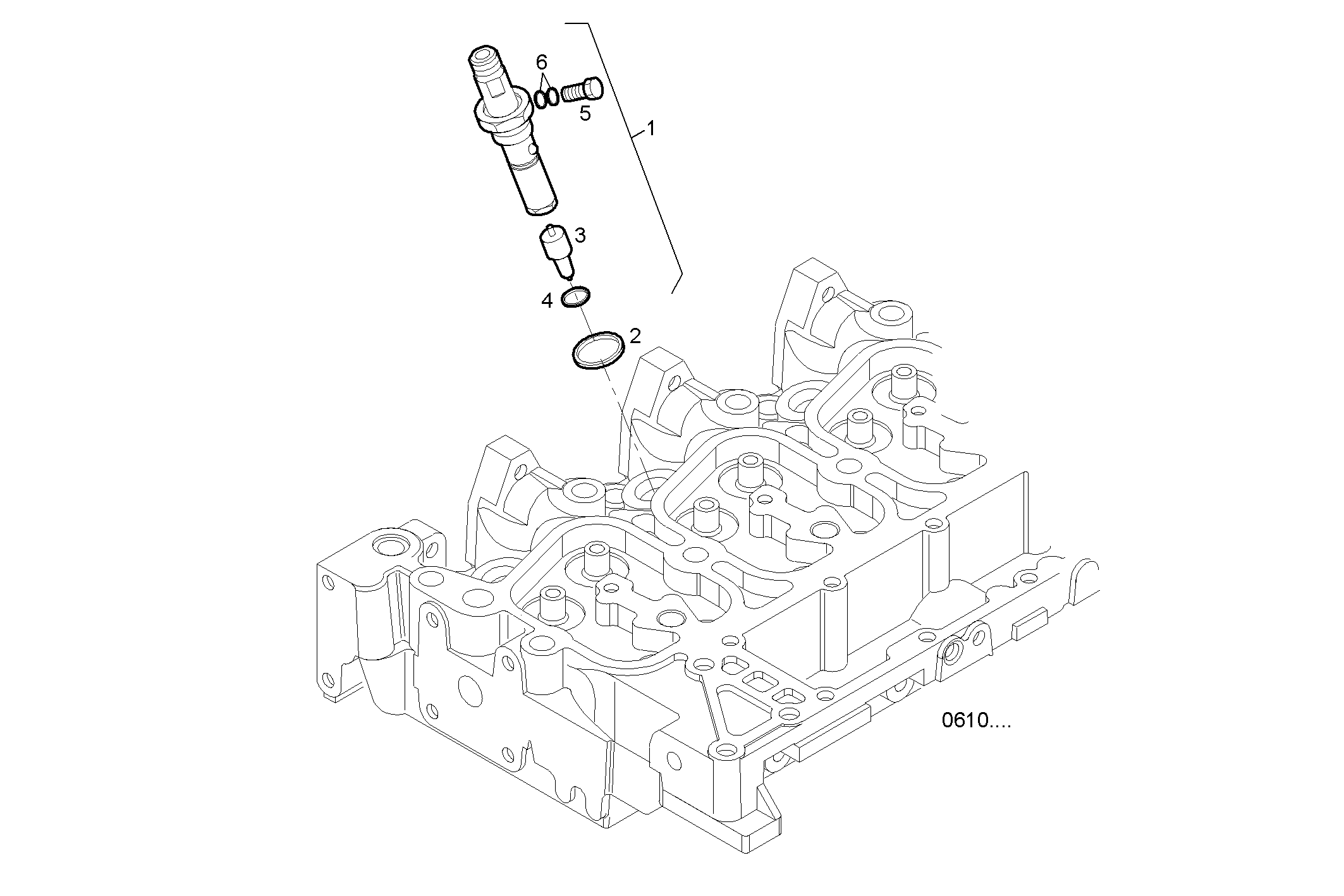
| # | Part No | Name / Description | Qty | Action |
|---|---|---|---|---|
| 1 | 504125149 | NOZZLE NOZZLE | 4 | |
| 2 | 4895297 | SEAL GASKET SEAL GASKET | 4 | |
| 3 | 8097505 | FUEL NOZZLE FUEL NOZZLE | 4 | |
| 4 | 8094749 | WASHER WASHER | 4 | |
| 5 | 8097552 | SCREW CONNECTOR SCREW CONNECTOR | 4 | |
| 6 | 1118641 | WASHER WASHER | 8 |