
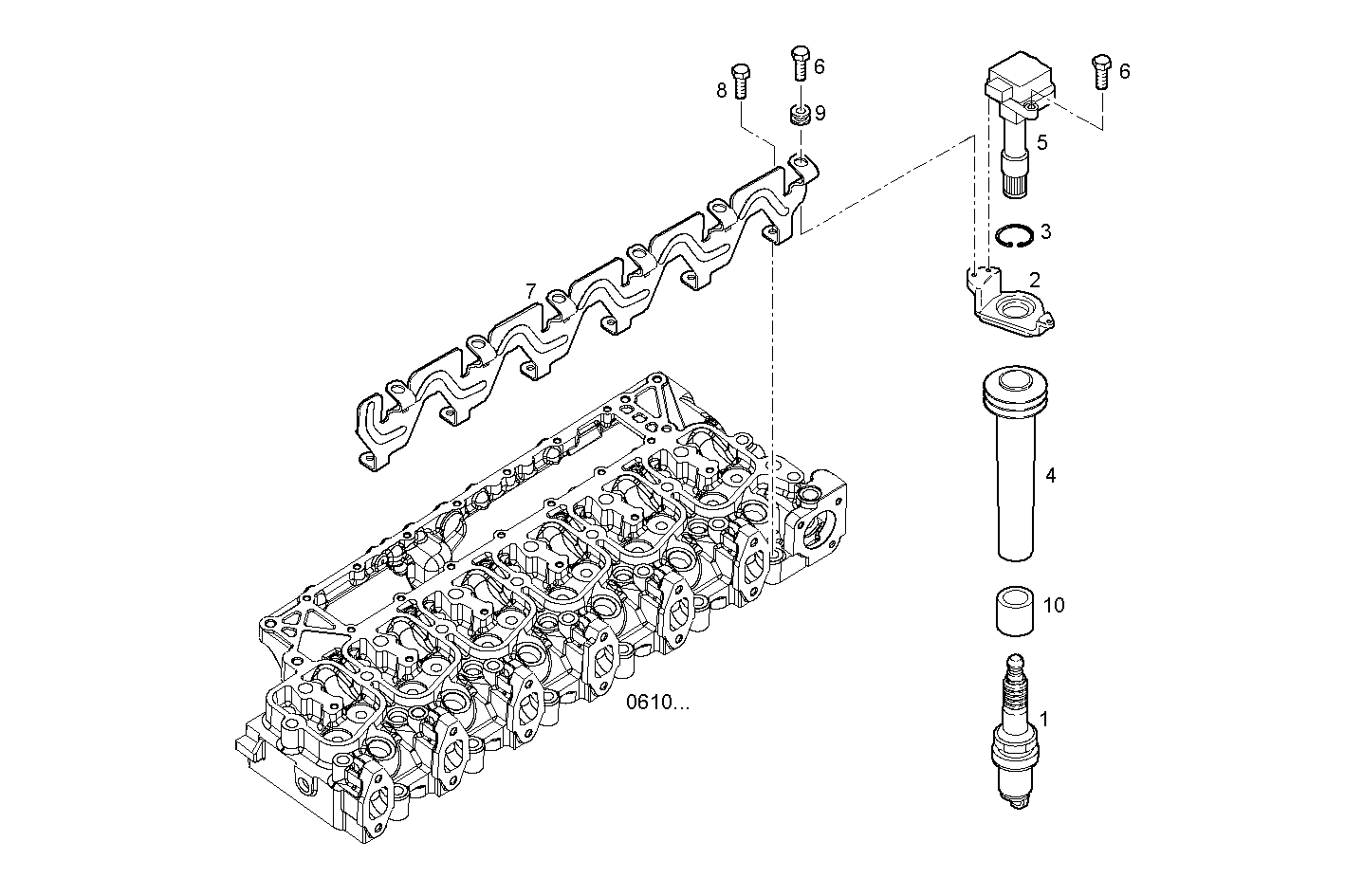
F4BE0641A*G103 — NEF 6 CNG
| # | Part No | Name / Description | Qty | Action |
|---|---|---|---|---|
| 1 | 504082651 | SPARK PLUG SPARK PLUG | 6 | |
| 2 | 504029726 | FLANGED BUSH FLANGED BUSH | 6 | |
| 3 | 17853574 | CIRCLIP CIRCLIP | 6 | |
| 4 | 504083065 | SPARK CASING SPARK CASING | 6 | |
| 5 | 504085566 | IGNITION COIL IGNITION COIL | 6 | |
| 6 | 16585325 | HEXAGON BOLT HEXAGON BOLT | 18 | |
| 7 | 504029774 | PROTECTION PROTECTION | 1 | |
| 8 | 16596924 | HEXAGON BOLT HEXAGON BOLT | 6 | |
| 9 | 504046193 | RUBBER LUG RUBBER LUG | 6 | |
| 10 | 504046194 | SPACING BAR SPACING BAR | 6 |