
N67MSAE00.00A800 — NEF 6 mechanic. - TIER 2
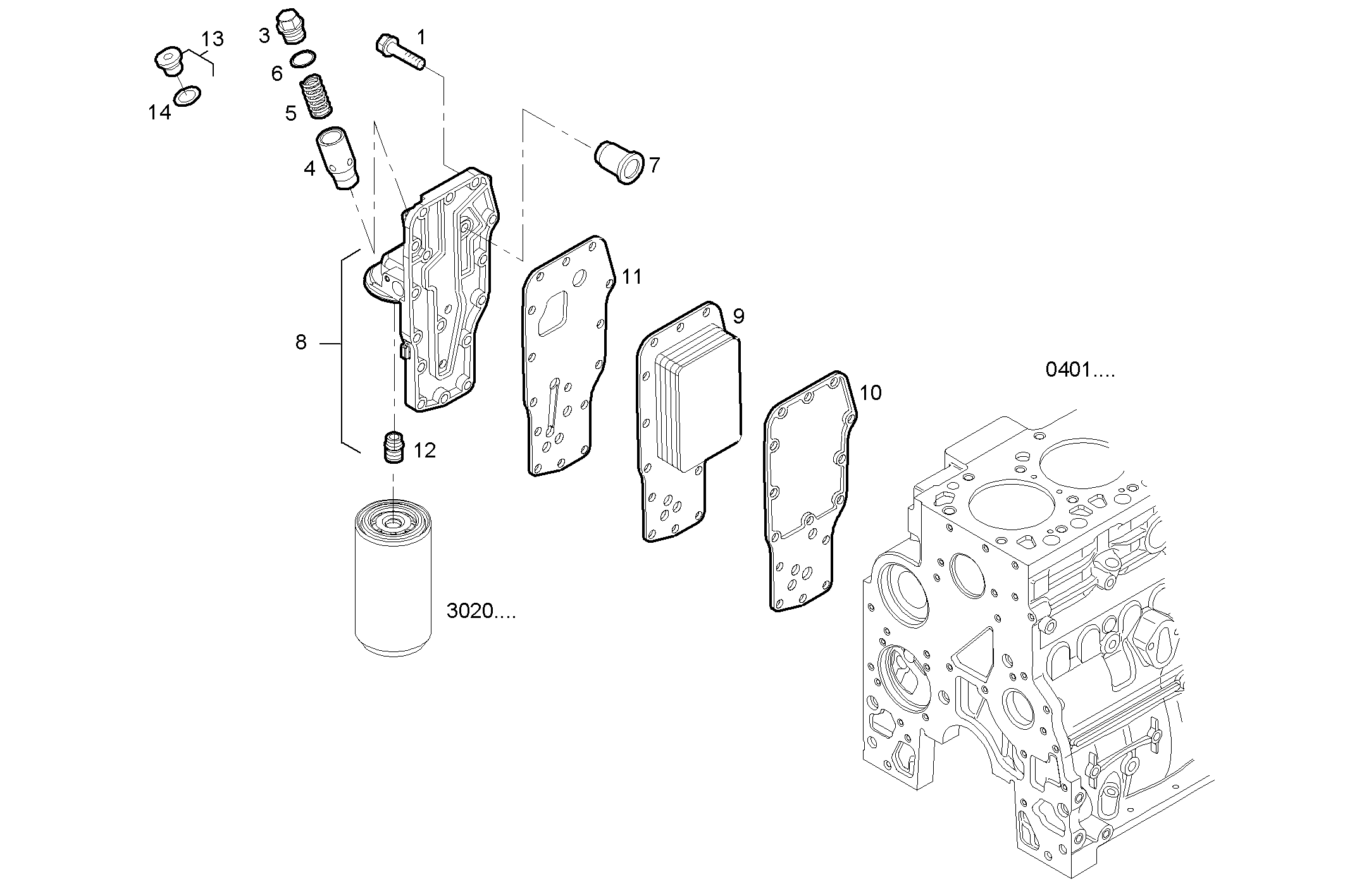
| # | Part No | Name / Description | Qty | Action |
|---|---|---|---|---|
| 1 | 4899019 | HEXAGON BOLT HEXAGON BOLT | 15 | |
| 3 | 4895043 | THREADED PLUG THREADED PLUG | 1 | |
| 4 | 4896404 | VALVE HOUSING VALVE HOUSING | 1 | |
| 5 | 4895045 | VALVE SPRING VALVE SPRING | 1 | |
| 6 | 4899035 | O-RING O-RING | 1 | |
| 7 | 4896410 | VALVE VALVE | 1 | |
| 8 | 4899643 | HEAT EXANGER BODY HEAT EXANGER BODY | 1 | |
| 9 | 504047629 | OIL COOLER OIL COOLER | 1 | |
| 10 | 2830559 | FLAT ENGINE GKT FLAT ENGINE GKT | 1 | |
| 11 | 4896409 | FLAT ENGINE GKT FLAT ENGINE GKT | 1 | |
| 12 | 4893391 | THREADED UNION THREADED UNION | 1 | |
| 13 | 504096409 | THREADED PLUG THREADED PLUG | 1 | |
| 14 | 17916280 | O-RING O-RING | 1 |